Aplikace IT systému Acrel Medical v malajských nemocnicích
Domů / Projekty / nemocnice / Aplikace IT systému Acrel Medical v malajských nemocnicích

Aplikace IT systému Acrel Medical v malajských nemocnicích

S rostoucím používáním elektronických lékařských zařízení v nemocnicích představuje riziko svodového proudu významné ohrožení bezpečnosti pacientů, zejména v prostředí kritické péče. Během chirurgických zákroků nebo anestezie jsou pacienti přímo napojeni na různé elektrody a senzory. I minimální svodové proudy mohou způsobit úraz elektrickým proudem, když jsou lékařské přístroje v přímém kontaktu s lidským tělem.

Kromě toho musí zařízení na podporu života pro kriticky nemocné pacienty udržovat nepřetržitý provoz. Jakékoli přerušení napájení by mohlo bezprostředně ohrozit životy pacientů. Nemocniční elektrické systémy proto musí přísně odpovídat národním normám implementací systémů napájení IT ve vyhrazených oblastech.

Tato případová studie demonstruje použití lékařského izolovaného napájecího systému Acrel v Malajsii, který představuje:

Medicínské IT rozvody energie

Zařízení pro sledování izolace

Systémy lokalizace závad

Kontaktujte nás
  • Přehled projektu
  • Přehled projektu
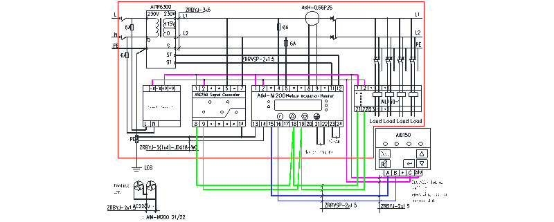
    Malaysia I.E.D se nachází v SELANGOR DARUL EHSAN, projekt se používá hlavně v ostrovní nemocnici v Malajsii, produkty se používají pro lokalizaci poruchy izolace 12 okruhů pro 3 sady nemocničního izolovaného napájecího systému, související produkty jsou zařízení pro sledování izolace AIM-M200, generátor testu signálu ASG150, centralizovaný indikátor alarmu AID150, lokátor izolačního a poruchového proudu-AIL058, AIL05 lokátor poruchového proudu AIL08 AKH-0,66P26.


    Úvod do medicínského IT systému
    Zařízení pro monitorování izolace a lokalizaci poruch systému ACREL medical IT systému je vhodné pro nemocniční operační sály, JIP (CCU) a další důležitá místa a může poskytnout bezpečné místo pro taková nepřetržitá spolehlivá řešení napájení.


    Řešení napájení pro lékařská pracoviště
    Řešení distribuce oddělení JIP, CCU (například schéma systému izolování rozvaděče GGF-I8G)


    Možnost I bez funkce lokalizace poruchy


    Možnost II s funkcí lokalizace poruchy

    POZNÁMKA: V řešeních rozvodu energie na jednotce intenzivní péče by měl být centralizovaný alarm a zobrazovací zařízení řady AID instalován na sesterské stanici, nemocniční personál na sesterské stanici monitoruje provozní stav každého izolovaného energetického systému.


    Řešení distribuce operačních sálů (například schéma systému rozvodné skříně GGF-O8G)

    Možnost I bez funkce lokalizace poruchy izolace


    Možnost II s funkcí lokalizace poruchy izolace

    1. V řešeních rozvodu napájení operačních sálů by měla být řada externích alarmových a zobrazovacích zařízení AID instalována na inteligentním panelu uvnitř operačního sálu nebo vedle inteligentního panelu (instalace na stěnu). Během operace zdravotnický personál sleduje stav izolovaného energetického systému.

    2. Ve schématu s funkcí lokalizace poruchy izolace, pokud je počet lokalizovaných kanálů větší než osm, lze použít dvě sady lokátorů AIL150. Kombinace může být AIL150-8 a AIL150-4 (až 12 kanálů) nebo AIL150 -8 a AIL150-8 (až 16 kanálů).

    3. Typické schéma zapojení






    4. Představení 7-Piece Medical IT

    Název a typ produktu Obrázek produktu Popis
    Lékařský izolační transformátor řady AITR Izolační transformátor řady AITR se používá speciálně v lékařských IT systémech. Vinutí jsou ošetřena dvojitou izolací a mají elektrostatickou stínící vrstvu, která snižuje elektromagnetické rušení mezi vinutími. Teplotní senzor PT100 je instalován v drátěném sáčku pro sledování teploty transformátoru. Celé tělo je ošetřeno vakuovou invazní barvou, která zvyšuje mechanickou pevnost a odolnost proti korozi. Výrobek má dobrý výkon při zvyšování teploty a velmi nízkou hlučnost.
    AIM-M200 lékařský inteligentní přístroj pro monitorování izolace AIM-M200 lékařský inteligentní přístroj pro monitorování izolace využívá pokročilou technologii mikrokontroléru, která má vysokou integraci, kompaktní velikost, pohodlnou instalaci a integruje itelligence, digitalizaci a síťové propojení v jednom. Je to ideální volba pro monitorování izolace izolovaných energetických systémů ve zdravotnických zařízeních třídy 2, jako jsou operační sály a jednotky intenzivní péče.
    Proudový transformátor AKH-0,66P26 Proudový transformátor typu AKH-O 66P26 je ochranný proudový transformátor podporující hlídač izolace AIM-M200, jehož maximální měřitelný proud je 60A a transformační poměr je 2000:1. Proudový transformátor je přímo upevněn ve skříni přišroubováním a sekundární strana je vyvedena svorkou, která se pohodlně instaluje a používá.
    Lokátor izolačních poruch AIL150-4/AIL150-8 Lokátor izolačních poruch AIL150-4/AIL150-8 adopts high sensitivity transformer combined with a high precision signal detecting circuit, which detects the signal imported into the system from the ASG150 test signal generator and accurately locates the circuits which have insulation faults. AIL150-4 insulation fault locator can locate the insulation faults of 4 circuits, and the AIL150-8 insulation fault locator can locate the insulation faults of 8 circuits.
    Generátor testovacího signálu ASG150 Generátor testovacího signálu ASG150 využívá 32bitový mikroprocesorový čip a vysoce přesný obvod pro generování signálu pro realizaci generování specifického testovacího signálu. Když má monitorovaný IT systém poruchu izolace, může se včas spustit a vytvořit testovací signál a pracovat s lokalizací poruchy izolace, aby se zjistilo místo poruchy izolace.
    Napájecí modul HDR-60-24 Stejnosměrný napájecí zdroj HDR-60-24 může poskytnout 24V DC napájení současně pro AIM-M200
    lékařský inteligentní přístroj pro monitorování izolace, generátor testovacího signálu ASG150, lokátor izolačních poruch řady AIL150 a centralizovaný alarm a zobrazovací přístroj AID150 Napájecí zdroj má vysokou kapacitu, stabilní výstupní napětí a pohodlnou instalaci, která může splňovat požadavky na napájení výše uvedených měřičů a je doporučeným produktem napájecího zdroje.
    AID1 50 centralizovaný alarm a zobrazovací přístroj Centralizovaný alarm a zobrazovací nástroj AID150 využívá LCD displej z tekutých krystalů a dosahuje výměny dat s lékařským inteligentním monitorovacím nástrojem izolace AIM-M200 prostřednictvím komunikačního rozhraní RS485, které může v reálném čase monitorovat vícekanálová data lékařského inteligentního monitorovacího nástroje izolace AIM-M200.

    Fotografie na místě



Acrel Co., Ltd.