Domů / Produkty / Měřič energie / Měřič střídavého proudu / Třífázový programovatelný měřič spotřeby energie na panelu

Třífázový programovatelný měřič spotřeby energie na panelu

Skutečná RMS měření

THD s 63. harmonickými

K-Factor a Crest Factor

Nevyváženost a fázové úhly

Požadavky a multi-tarifní energie

Max/Min protokol s časovým razítkem

+86-18702106858 / +86-21-69156352

[email protected]

  • Popište
  • APM810 je třífázový multifunkční panelový měřič střídavého proudu třídy 0,2S navržený pro přesné monitorování energie, diagnostiku kvality energie a dílčí fakturaci nájemníků v průmyslových, komerčních a datových rozvaděčích. Kompaktní kryt DIN 96×96 mm obsahuje barevnou dotykovou obrazovku TFT, která zobrazuje skutečnou efektivní hodnotu napětí do 690 V, proud, frekvenci, činný/jalový/zdánlivý výkon, PF, poptávku, harmonické do 63, THD a čtyři kvadranty kWh/kvarh. Duální RS485 Modbus-RTU, Ethernet TCP/IP, BACnet/IP, SNMP a volitelné Wi-Fi/LoRa zajišťují bezproblémovou integraci BMS/EMS, zatímco 4 MB integrované paměti zaznamenává 12měsíční profily zátěže pro energetické audity. Konfigurovatelné přepětí/podpětí, proud, PF a harmonické alarmy řídí výstupy relé nebo digitální vstupy pro inteligentní ovládání vypínače; Pulzní, SOE a tarifní TOU registry podporují aplikace utility AMI, solární měření sítě a nabíjení EV. Široké 3×57,7–690 V, 0,001–10 A přímé připojení nebo připojení CT/VT plus těsnění odolné proti neoprávněné manipulaci se hodí do každé inteligentní sítě nebo mikrosítě.

  • Specifikace
  • Technické parametry Hodnota
    Vstup Připojení Jednofázový-2-vodič, 3-fázový-3-vodič, 3-fázový-4-vodič
    Frekvence 45-65Hz
    Napětí Hodnocení:
    jednofázové: AC 100V, 400V
    Třífázové: AC 3×57,7V/100V(100V)、3×220V/380V(400V)、3×380V/660V(660V)(pouze velikost 96)
    Přetížení: 1,2násobné hodnocení (nepřetržité): 2násobné hodnocení po dobu 1 sekundy
    Spotřeba energie:< 0,5VA
    Aktuální Hodnocení: AC IA、5A
    Přetížení: 1,2násobné hodnocení (nepřetržité);10násobné hodnocení po dobu 1 sekundy
    Spotřeba energie:< 0,5VA
    Výstup Elektrická energie Výstup mode:open-collector photo-coupler pulse
    Pulzní konstanta: 10000 imp/kWh (nastavitelné), podrobnosti viz schéma zapojení;
    Komunikace Port RS485, protokol Modbus -RTU, protokol DLT645 (verze 07 a 97),
    přenosová rychlost 1200 ~ 38400
    Funkce Přepínání vstupu Vstup pro suchý kontakt, vestavěné napájení; pokud je model KA, je aktivní AC 220V.
    Spínací výstup Výstup mode: Relay normally open contact output
    Kapacita kontaktu: AC 250V/3A、 DC 30V/3A
    Analogový výstup 4 - 20 mA
    Třída přesnosti Frekvence:0.05Hz,Current、Voltage:0.2 class,Reactive power:l .0class,Reactive Electric energy:l .0class, active power:0.5class,active electric energy: 0.5class,2-31th harmonic measurement:±1%
    Napájení AC/DC 85-265V nebo DC24V(±20%)nebo DC48V(±20%)
    spotřeba energie≤10VA
    Bezpečnost Odolné napětí napájecí frekvence Mezi Napájení//Spínací výstup// Proudový vstup//napěťový vstup a vysílání// Komunikace //Pulzní výstup//spínací vstup AC 2 kV 1min;
    Mezi Napájení, spínací výstup, proudový vstup, napěťový vstup AC 2 kV 1min;
    Mezi vysíláním, komunikací, pulsním výstupem, spínacím vstupem AC 1kV 1 min;
    Izolační odpor Vstup、Output end to machine enclosure >100MΩ
    Životní prostředí Teplota práce: -25°C~ 65°C  skladování: -40°C ~ 80°C
    Vlhkost ≤93%RH Nekondenzující
    Nadmořská výška ≤ 2 500 milionů $ $
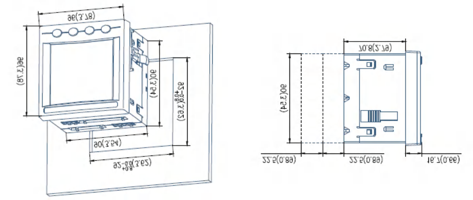
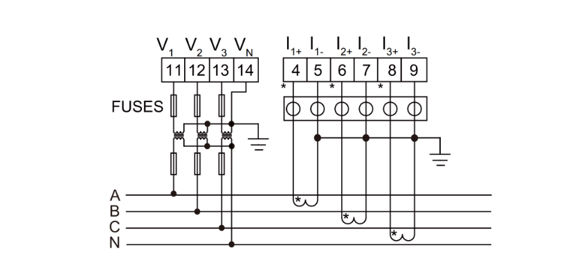
  • Schéma rozměrů a zapojení
  • Aplikační scénář
  • Power Monitoring Solution

  • Aplikace na pracovišti
O společnosti Acrel
"Optimalizovaná energetická účinnost, posílení zelené budoucnosti."

Společnost Acrel Co., Ltd., založená v roce 2003【Kód akcií: 300286.SZ】, je high-tech společnost specializující se na řešení energetického managementu a elektrickou bezpečnost. Společnost Acrel se sídlem v Šanghaji nabízí inovativní a udržitelná řešení pro energetickou účinnost mikrosítí a elektrickou bezpečnost. S více než 600 patenty a autorskými právy k softwaru společnost Acrel celosvětově nasadila více než 28 000 systémových řešení, čímž vytvořila komplexní energetickou internetovou architekturu „na konci cloudu“.

Acrel Co., Ltd. is China Wholesale Třífázový programovatelný měřič spotřeby energie na panelu Manufacturers and Třífázový programovatelný měřič spotřeby energie na panelu Factory. Acrel's integrated product ecosystem spans from cloud platform software to end-user components, covering sectors such as power, renewable energy, data centers, smart buildings, transportation, and smart cities. These solutions enable intelligent, real-time energy management, enhancing energy security and reducing operational costs. We offer Třífázový programovatelný měřič spotřeby energie na panelu for sale.

Výrobní závod společnosti, Jiangsu Acrel Electric Manufacturing Co., Ltd., dodržuje přísné standardy kvality a ekologické směrnice, s pokročilými testovacími centry a závazkem k bezolovnatým výrobním procesům. Tým Acrel složený z více než 500 inženýrů dodává špičkové systémy energetické účinnosti a chytrá energetická řešení.

Díky silnému domácímu zastoupení Acrel aktivně expanduje do zahraničí, podporovaný globální sítí prodejních a technických týmů a platformou elektronického obchodování, která zajišťuje bezproblémové služby po celém světě. Acrel je hrdý na to, že pomáhá podnikům zlepšovat efektivitu, snižovat spotřebu a dosahovat cílů udržitelnosti.

Společně budujeme chytřejší a zelenější budoucnost.

  • Autorizované patenty

    0+
  • Počet obsluhovaných zákazníků

    0+
  • Celkový počet zaměstnanců

    0+
  • Výrobní základna

    0
Podniková certifikace

Posílení podniků pomocí našich robustních schopností.

  • IEC
  • CE-MID
  • UL
  • RoHS
Novinky
  • Moderní elektrická krajina je složitá tapisérie vzájemně propojených energetických systémů, převážně střídavého proudu (AC) pro výrobu, přenos a distribuci. Vzestup obnovitelné energie, skladování energie, elektrických vozidel a průmyslových procesů však posunul systémy stejnosměrného proudu (DC)...

    Read More
  • Moderníí elektrická síť je mistrovským dílem inženýrství, rozsáhlá a propojená síť navržená tak, aby dodávala energii z výrobních zdrojů koncovým uživatelům s pozoruhodnou spolehlivostí. V srdci tohoto systému leží vysokonapěťové přenosové vedení, svalové tepny, které přenášejí nesmírné množství ...

    Read More
  • V oblasti elektrické údržby, energetického managementu a spolehlivosti systému hraje roli analyzátor kvality energie je nepostradatelný. Tato zařízení jsou již dlouho základním kamenem pro diagnostiku široké škály elektrických problémů, od jednoduchých kolísání napětí až po složité přechod...

    Read More
Acrel Co., Ltd.