Vítejte na připojení
V souvislosti s rychlým rozvojem nového energetického průmyslu se scénáře jako kupř komerční a průmyslové skladování energie , stanice pro výměnu baterií a fotovoltaické akumulační systémy pro domácnost kladou vyšší nároky na přesnost, kompatibilita a inteligence z měření elektřiny . Společnost Acrel Electric vyvinula celou řadu nových řešení pro podporu energie. Tato řešení jsou navržena na míru pro základní požadavky různých aplikačních scénářů a pokrývají potřeby měření od nízkoenergetických domácích aplikací až po rozsáhlé průmyslové a komerční systémy skladování energie. Řešení poskytují spolehlivou podporu pro stabilní provoz a přesné měření nových energetických systémů.
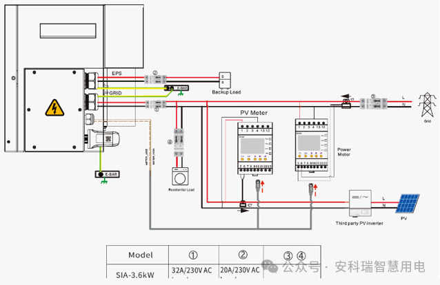
Rezidenční fotovoltaika a akumulace energie představují důležitý aplikační scénář pro popularizaci nové energie. Společnost Acrel vyvinula vysoce kompatibilní produkty nástrojů zaměřené na různé dílčí scénáře, včetně přizpůsobení invertoru akumulace energie, integrace hybridního invertoru, balkonové fotovoltaické úložné systémy a transparentní přenosové systémy pro ukládání mikroenergie point-to-point . Tyto produkty vyvažují integraci, rychlost měření a komunikační flexibilitu.
V reakci na tržní charakteristiky kompatibility více značek ve fotovoltaických systémech a systémech skladování energie je konfigurace RS485 CT přizpůsobena nejistým podmínkám instalace pro profesionální agenty. Přístroje jsou certifikovány mezinárodními certifikacemi CE-MID, UL a RCM. Díky vysokorychlostní obnovovací frekvenci dat 50 ms podporují zařízení také úpravu fázového sledu, což zajišťuje přesné měření a silnou kompatibilitu.
Pro vysoké požadavky na integraci návrhů invertorů pro ukládání energie „vše v jednom“ a požadavky na dvoukanálové měření ve scénářích modernizace jsou přístroje vybaveny napěťovými a proudovými rychlospojkami a komunikačními porty RJ45. Podporují také obnovovací frekvenci dat 50 ms a úpravu sledu fází spolu s komplexním certifikačním systémem, díky čemuž jsou vhodné jak pro retrofity, tak pro scénáře nové instalace.
Toto řešení, navržené speciálně pro nízkoenergetické distribuované fotovoltaické systémy a systémy skladování energie na balkonech, vyvažuje vysokou integraci s pohodlnou instalací a uvedením do provozu. Kromě toho dvoukanálové měření a rychlospojky , také podporuje Funkce ladění WiFi, WiFi HaLow a Bluetooth . Bezdrátový design výrazně zjednodušuje instalaci v malých scénářích a produkt je držitelem certifikace CE-RED.
Na adresu špatná penetrace a nestabilní výkon sítě z traditional WiFi in micro-energy storage scenarios, WiFi HaLow Je použita komunikační technologie (Sub-1GHz). Ve srovnání s tradiční WiFi poskytuje silnější schopnost průniku a delší přenosovou vzdálenost. Ve srovnání s komunikací LoRa nabízí vyšší přenosovou rychlost a lepší stabilitu. Přístroj tuto technologii nativně podporuje a vyžaduje pouze další AP na straně střídače pro umožnění bezdrátové komunikace. Podporuje také rychlou konfiguraci sítě one-to-one a one-to-many, takže je vhodný pro domácí multi-invertorové a balkónové mikroúložné systémy.
Průmyslová a komerční úložiště energie, velkokapacitní úložiště energie a stanice pro výměnu baterií vyžadují přísné standardy v přesnosti měření, obnovovací rychlosti, flexibilitě instalace a souladu s předpisy. Acrel poskytuje vestavěné a na DIN lištu přístrojové produkty založené na klíčových požadavcích, jako jsou např multi-tarifní účtování, měření poptávky, ochrana proti zpětnému toku energie a bezdrátová komunikace podporující jak nové instalace, tak aplikace retrofitu.
APM521 získal zámořskou certifikaci CSA (UL) a poskytuje přesnost měření aktivní energie až do třídy 0,2 s (třída D). Je vybaven úložištěm na SD kartu pro elektrické parametry v reálném čase. Modulární konstrukce rozšiřujícího modulu hlavní jednotky podporuje vestavěnou montáž i montáž na DIN lištu, čímž splňuje různorodé požadavky na instalaci v nových projektech.
Jedná se o elektroměr třídy 0,5S s externím CT, široce používaný ve velkých zákaznických aplikacích. Podporuje sekundární kabeláž pro modernizaci CT a může přímo upínat proud na sekundární straně stávajících proudových transformátorů, takže je velmi vhodný pro projekty modernizace elektroměrů. Produkt je držitelem certifikací CPA, CE a UL a lze jej také upravit na vysokorychlostní obnovovací verzi, která splňuje požadavky na vysoce výkonné aplikace.
Průmyslová a komerční řešení navíc integrují funkce ochrany proti přetížení. Systém lze připojit ke scénářům vysokonapěťového a nízkonapěťového bočního skladování energie a může spolupracovat s multitarifními elektroměry pro dosažení přesného měření elektřiny v rámci různých tarifních struktur, což poskytuje komplexní podporu bezpečnosti a správy energie pro průmyslové a komerční systémy skladování energie a stanice pro výměnu baterií.
V souvislosti s neustálými inovacemi v novém energetickém průmyslu se bude Acrel i nadále zaměřovat na inovace a dále vylepšovat svou novou přístrojovou technologii a produktový systém podporující energii. Cílem společnosti je poskytovat efektivnější, inteligentnější a spolehlivější měření elektřiny solutions pro komerční a průmyslové skladování energie, stanice pro výměnu baterií a domácí fotovoltaické úložiště, což pomáhá podporovat vysoce kvalitní rozvoj nového energetického průmyslu.
